Выпиливание из фанеры лобзиком: основные принципы и техники
- Выпиливание из фанеры лобзиком: основные принципы и техники
- Связанные вопросы и ответы
- Что такое выпиливание из фанеры лобзиком
- Какие инструменты необходимы для выпиливания из фанеры лобзиком
- Какие материалы можно использовать для выпиливания из фанеры лобзиком
- Как выбрать подходящий лобзик для выпиливания из фанеры
- Как приготовить фанеру перед выпиливанием лобзиком
- Какие основные техники выпиливания из фанеры лобзиком существуют
Выпиливание из фанеры лобзиком: основные принципы и техники
Лобзик представляет собой универсальный прибор, который используется для резки фигурных изделий из различных материалов. Все что, потребуется – правильно выбрать полотно. Важно разобраться, и как вырезать фигуры сложных форм. Многим начинающим мастерам требуется разобраться, как изготавливаются скосы у досок и различные составные элементы поделок.
Полотна, которые будут вставляться в лобзик, довольно часто гнутся и оставляют скошенные края. Прямой рез обычно получается при использовании хорошо заточенного лезвия. При этом не следует слишком давить на инструмент во время работы.
Сначала следует запустить пилу на самой большой скорости, а затем выбрать угол наклона лезвия. Это позволит получить меньшее количество сколов. В материалах, обладающих повышенной хрупкостью, необходимо сверлить отверстия. Это позволит без лишнего риска отпилить заготовку. В результате не образуется сколов детали.
Чтобы резка выполнялась быстро, следует использовать грубые лезвия. Однако следует учитывать, что при выборе таких расходных элементов впоследствии их будет тяжелее зашкуривать. Лезвия для электрических лобзиков изготавливаются таким образом, чтобы рез выполнялся при ходе полотна вверх.
Для получения аккуратного распила необходимо выполнить ряд условий:
- Рука, которая держит лобзик, должна двигаться только вертикально.
- Все движения необходимо совершать максимально плавно, без рывков. Кроме того, они должны выполняться с максимальной амплитудой. Это необходимо для задействования всего полотна.
- Второй рукой в процессе работы заготовка плавное поворачивается.
- Не следует слишком давить пилкой на заготовку. Недопустимо боковое давление на лезвие.
- Художественное выпиливание осуществляется только тогда, когда пилка перемещается сверху вниз. По этой причине обратное движение необходимо выполнять без нажима.
При работе ручным лобзиком его необходимо вести не по отмеченной линии. Полотно следует проводить по внутренней стороне контура. Это обусловлено наличием пропила после выпиливания. После завершения работы один из зажимов следует ослабить. Рамка прибора не должна утратить упругости.

Электролобзик для выпиливания по фанере с виду — очень простой инструмент и произвести при помощи него ровный распил сможет практически каждый новичок. Однако если говорить о красивых фигурных узорах, то здесь необходимо не только обладать определенными навыками, но и правильно подбирать пилки.
Основные нюансы
Осуществляя выпиливание электролобзиком из фанеры своими руками, вы должны знать следующее:
- Главное условие для получения ровного реза заключается в правильном выборе пилки для инструмента . Для того чтобы на лицевой стороне распил был без задиров, необходимо воспользоваться тонкой пилкой, зубья которой направлены вниз.
- Обрабатываемая деталь нуждается в прочном закреплении , в противном случае ровного реза не получится

Электролобзик.
- Несколько слов о пилках . Для электролобзиков выпускается большое количество пил, которые отличаются друг от друга, как толщиной, так и особенностями конструкции.
В зависимости от этого различают:- Пильный или боковой развод. Зубья загибаются вправо и влево по очереди, как у ручных пил. Таким способом изготавливаются пилки с относительно крупными зубьями. Их используют для быстрой прямой резки. Пропил получается с грубыми краями, потому его следует обработать наждачной бумагой.
- Полотно с поднутрением. В данном случае зубья вовсе не имеют развода. Такие пилки позволяют делать очень тонкие и чистые пропилы. Естественно, скорость работы при этом падает. Если у такой пилки имеется небольшой развод, то работа будет идти несколько быстрее. Однако в данном случае основной упор делается не на скорость, а на качество пропила.
- Волнообразный развод. Для того, чтобы очень маленькие и узкие пилки могли выполнять более широкие пропилы, режущая кромка полотна делается волнообразной. По большей части такие пилки используются при работе с металлом, однако часто применяются и при работе с фанерой для получения узкого и чистого пропила за довольно короткое время.
Связанные вопросы и ответы:
Вопрос 1: Что такое выпиливание из фанеры лобзиком
Ответ: Выпиливание из фанеры лобзиком - это процесс изготовления различных предметов и украшений из фанеры с помощью лобзика, который представляет собой специальный инструмент с острым лезвием. Этот инструмент позволяет точно и аккуратно вырезать сложные формы и узоры из тонких листов фанеры. Выпиливание лобзиком является популярным хобби и может быть использовано для создания различных декоративных и практических предметов, таких как рамки для фотографий, настенные таблички, украшения для интерьера и многое другое.
Вопрос 2: Какие инструменты необходимы для выпиливания из фанеры лобзиком
Ответ: Для выпиливания из фанеры лобзиком необходимы следующие инструменты: лобзик, который представляет собой специальный нож с острым лезвием; рабочая поверхность, которая может быть в виде специального стола или просто плоской и устойчивой поверхности; фанера, которую можно приобрести в специализированных магазинах или интернет-магазинах; клей для фанеры, который используется для склеивания частей изделия; и инструменты для обработки фанеры, такие как ножницы, резец, шлифовальные пасты и т.д.
Вопрос 3: Как выбрать подходящую фанеру для выпиливания лобзиком
Ответ: При выборе фанеры для выпиливания лобзиком следует обратить внимание на толщину и качество материала. Лучше всего использовать тонкую фанеру, которая не превышает 3-4 мм, так как она более гибкая и удобна для работы с лобзиком. Также следует выбирать качественную фанеру без дефектов и с гладкой поверхностью, чтобы изделия получались аккуратными и красивыми.
Вопрос 4: Как обезопасить себя при работе с лобзиком
Ответ: Работа с лобзиком может быть опасной, поэтому необходимо соблюдать меры безопасности. Перед началом работы убедитесь, что все инструменты в рабочем состоянии и нет никаких повреждений на лезвиях. Во время работы обязательно используйте защитные перчатки и очки, чтобы защитить руки и глаза от травм. Также следует работать на устойчивой и ровной рабочей поверхности, чтобы избежать падения инструментов и материалов.
Вопрос 5: Как сделать сложные узоры и формы при выпиливании лобзиком
Ответ: Для создания сложных узоров и форм при выпиливании лобзиком можно использовать специальные шаблоны или нарисовать их самостоятельно на фанере. Затем нужно аккуратно вырезать узоры с помощью лобзика, двигаясь по контуру рисунка. Для получения более точных и аккуратных линий можно использовать удлинители для лобзика или специальные насадки.
Вопрос 6: Как закончить и обработать изделия после выпиливания лобзиком
Ответ: После выпиливания лобзиком изделия необходимо обработать и закончить. Для этого можно использовать шлифовальные пасты и круги для сглаживания края и устранения шероховатостей. Затем изделие можно покрыть лаком или маслом для фанеры, чтобы защитить его от влаги и загрязнений. Также можно добавить декоративные элементы, такие как бусины, колки или наклейки, чтобы сделать изделие более привлекательным и уместным в интерьере.
Что такое выпиливание из фанеры лобзиком
Для начала работы нужно определить, что в конце работы должно получиться. Для этого понадобится чертёж или шаблон будущего изделия. Его можно придумать и нарисовать как самому, так и воспользоваться готовыми решениями. Существует множество сборников, содержащих чертежи и схемы поделок. Интернет тоже изобилует многообразием интересных идей. И практически для каждого там найдётся любопытная схема или чертёж.
Обычно, схемы небольших поделок убираются на бумаге формата А4. Для создания чертежей декоративно-стильной мебели или других крупногабаритных бытовых вещей используется ватман размерами А0 и А1, впрочем, для этой цели могут служить и другие бумажно-картонные носители, к примеру, склеенные между собой куски ненужных обоев.
После того как чертёж выбран, его нужно перенести на материал, из которого будет выполнена поделка. Для этого существуют несколько способов:
- Перенос рисунка с помощью трафарета. Для этого рисунок вырезается из бумаги — готовиться трафарет. Затем этот трафарет прикладывается к фанере и аккуратно обводится (обводить лучше простым карандашом, чтобы в случае чего рисунок можно было подкорректировать).
- Нанесение рисунка термическим способом. Для этого нужен струйный принтер, выбранная схема печатается с большим количеством принтерной краски. Далее этот рисунок лицевой стороной прикладывается к фанере и обрабатывается утюгом. Нескольких секунд утюжки вполне хватит для того, чтобы рисунок полностью отпечатался на поверхности заготовки.
- Наиболее простой способ — непосредственное приклеивание чертежа на деревянную заготовку. Клей можно использовать как канцелярский, так и ПВА-клей. Однако, при продолжительном выпиливании ручным лобзиком из фанеры чертежи могут сильно приклеиться, что увеличит трудозатраты во время дальнейшей обработке и шлифовке изделия.
Нанесение чертежа на заготовку с помощью копировальной бумаги. Эта бумага прикладывается к заготовке глянцевой стороной, на копировку ложится чертёж и обводится острым предметом (карандаш или спица). Лучше использовать тёмную бумагу, чтобы было лучше видно чертёж на заготовке.Какие инструменты необходимы для выпиливания из фанеры лобзиком
Часто важно не то, какой инструмент будет использован из имеющегося в наличии. А то, насколько верно подбирается режущая кромка рабочего органа режущего инструмента.

Выбор пилки для лобзика по виду материала
При выборе строители обращают внимание на предназначение пилок по виду материала, который планируется резать.
- Так как фанера производится из древесины, полотна используются преимущественно те же, что и по дереву .
- Для ламинированных листов, чтобы на лицевой стороне не образовывалось сколов и рез получался аккуратным, паркетчики рекомендуют пилки для ламината . Она имеет специальный «обратный зуб» – направлен в другую сторону в сравнении с остальными пилками, – что как раз позволяет избегать образования сколов с лицевой стороны как ламината, так и фанеры, чтобы не портить вид. (В маркировке такого полотна с обратным зубом присутствует буква « R » - реверс).
- Некоторые же предпочитают использовать универсальные пилки, которые одинаково хорошо справляются как с древесными материалами, так и с металлом. Иногда к таким универсальным относят еще и комбинированные : зубья на одной половине пильного полотна мелкие, а на другой – крупные.
Большинство производителей оснастки электроинструмента придерживаются стандартной маркировки, в которой содержится информация о назначении пилящего полотна в зависимости от материала реза. При этом в расчёт берётся марка стали, из которой оно изготовлено. Буквенное обозначение этой марки можно найти на шейке пилки (у границы хвостовика и самого режущего полотна):
- CV — хромованадиевая сталь (по дереву, древесных плит),
- HCS — высокоуглеродистая сталь (по дереву, древесных плита, а также пластика),
- HSS — быстрорежущая сталь (по черным или цветным металлам),
- HM — твердый сплав на базе карбида вольфрама (по керамике, стеклопластику)
- BM (или BIM, или Bi-Metal) — высокоэластичная комбинация HSS и HCS (профессиональные полотна по дереву и металлу).
О предназначении пилки могут говорить отметки на самом пильном полотне. Пометка определяет специализацию полотна по материалам:
- Wood — мягкая древесина, волокнистые плиты,
- Hardwood — твердая древесина, ламинированные панели,
- Inox — нержавеющая сталь,
- Alu — алюминий,
- Metal — жесть, металлические профили, трубы,
- Fiber&Plaster — стеклопластик,
- Soft-material — мягкие материалы (резина, пенопласт, картон),
- Acrylic — поликарбонат, плексигласа.
Для распила фанеры подойдут пилки для лобзика из высокоуглеродистой стали (HCS), с отметкой Wood или Hardwood . Для фигурного реза используйте скошенные полотна не более 4 мм в высоту, 40 мм в длину, 2 мм — размер зубьев. Для быстрого реза используйте прямые полотна с разводкой до 6 мм, 60 мм в длину. Для чистого реза полотно должно иметь длину до 75 мм, минимальный развод, размер зубьев до 3 мм,
Логика выбора пилки для лобзика в зависимости от планируемых работ:
Рекомендуем также ответить на ряд вопросов, от которых зависит точный подбор пильного полотна:
| Вопрос | Рекомендации по выбору пилок для лобзика : |
|---|---|
| Какая толщина листа? | Для толстой доски, фанеры или ДСП потребуется длинное и прочное полотно, устойчивое к изгибу (как правило утолщённое) для лобзика. Рекомендуют использовать широкие полотна пилок. Чем шире пильное полотно, тем оно устойчивее. |
| Геометрия распила : прямой или фигурный (криволинейный) рез планируется? | Для прямых резов рекомендуют широкие полотна со средним зубом. Либо пилки, у которых чередуются маленький и большие зубья (делая режущую кромку похожей на акульи зубы). Отметим, что от размеров пильного полотна зависит, не только скорость, но и качество распила. Для фигурных резов (если выпиливаются из фанеры сложные детали с кривыми линиями) рекомендуется использовать пилку с более мелкими зубьями и узким пильным полотном (чтобы пилку не зажимало на поворотах лобзика). |
| Нужен чистовой или черновой рез ? | Чем крупнее зубья, тем быстрее осуществляется распил. Но сам рез будет черновым: не слишком аккуратным, со сколами. А чем меньше зубья пилки (в том числе величина их разводки), тем точнее без сколов получится рез. Однако скорость работы будет заметно ниже. Д ля чистового реза фанеры без сколов используйте пилку для ламината. |
Какие материалы можно использовать для выпиливания из фанеры лобзиком
После того, как вы ознакомились со всеми возможными дополнительными функциями и техническими характеристиками, необходимо подвести итог и выделить основные факторы, которые должны влиять на выбор:
- Перед тем, как выбирать самую мощную и дорогую модель, попробуйте точно определить фронт предстоящих работ, их продолжительность и частоту. Возможно, вам вполне достаточно инструмента средней мощности;
- Вдобавок, высокая мощность неизбежно влечет за собой увеличение веса;
- Также обратите внимание на тип питания агрегата. Ведь есть модели, непосредственно питающиеся от сети, а есть те, которые имеют возможность работать от аккумулятора. Также есть лобзики, сочетающие в себе эти две возможности. Аккумулятор станет незаменимым, если нужно произвести работы на открытой местности, удаленной от источника напряжения;
- Не забудьте определиться и с формой рукояти. Попробуйте подержать в руке различные модели перед покупкой, чтобы понять, какой вариант для вас более удобен;

- Попробуйте пошатать механизм крепления , если он имеет большой люфт, то высокой точности и чистоты реза таким инструментом добиться не получится. Чем меньше люфтов, тем лучше;
- Обратите внимание и на тип двигателя . Он может быть щеточным или бесщеточным. Графитовые щетки передают энергию на двигатель и в условиях постоянного трения часто подлежат плановой замене. КПД таких двигателей ниже, чем бесщеточных, но и стоят они при этом дешевле;
- Если вы остановились на первом типе двигателя, обязательно выбирайте модель с возможностью быстрого доступа к щеткам. Это значительно облегчит процесс;
- Патрон для крепления пильного полотна также может быть двух типов – ключевой или быстрозажимной. Первый вариант подразумевает фиксацию пилы с помощью шестигранника, соответствующего диаметра. Во втором случае все происходит гораздо быстрее. Отогнул скобу, вынул старое плотно, вставил новое, вернул скобу в первоначальное положение. Всего пара секунд и инструмент снова готов к работе.
Как выбрать подходящий лобзик для выпиливания из фанеры
Перед началом выпиливания с помощью лобзика нужно определиться, какой именно рисунок, узор на фанере нужно создать. Для визуализации образа удобнее всего перенести его на обычную бумагу. Если элемент будет большой (например, объёмная шкатулка или фигурная полка), обычным листиком формата А4 обойтись не удастся. В таком случае следует взять ватман формата А1 или А0.
Подготовка к распилу Источник obi.ru
Когда края будущего произведения искусства выведены ручкой или тонким маркером на бумаге, можно наносить его на фанеру. Чтобы это сделать, достаточно вырезать нарисованную фигуру, приложить её к фанере и обвести карандашом. Чтобы можно было подкорректировать неровно нанесённый контур, лучше использовать простой карандаш и на всякий случай подготовить ластик.
Контур следует нанести на оборотную сторону фанеры, из которой планируется выпиливать фигуру. Чтобы рисунок не съезжал во время переноса, можно прикрепить его скотчем или клеем (при условии, что клей можно будет легко удалить с поверхности). Для удобства можно заштриховать всю внутреннюю часть будущего изделия, чтобы случайно не срезать больше, чем нужно.
Кстати, ещё одним способом переноса рисунка на фанеру остаётся использование копирки или копировальной бумаги. Её нужно положить между основой и бумажным макетом (шаблоном для выпиливания лобзиком). После этого останется лишь обвести все линии ещё раз.
Секрет! Чтобы максимально точно вырезать фигуру с помощью лобзика, лучше располагать линии разреза так, чтобы они проходили поперёк волокон материала.
Как приготовить фанеру перед выпиливанием лобзиком
Хотела задать вопрос в рукодельное сообщество и что-то растерялась куда писать там,про дерево или в беседку,пока сидела листала,решила спрошу тут в дневнике,ведь у меня почти все рукодельницы в друзьях-подписках,может получу нужный совет.
Я уже давненько любуюсь деревянными поделками из фанеры,как я полагаю ( может из чего другого?),раскрашенными вручную.Сначала я их увидела в иностранных блогах,восхитилась.Теперь и у наших мастериц порой вижу.Наши пишут,что выпиливает муж,а они расписывают.
Так вот,пришло на меня озарение,что мне ну очень надо научиться работать с деревом!!!!! уже недели 2 хожу и думаю на эту тему.Порылась немного в инете на тему вырезалок,нашла разные уроки.Но в основном выдает поисковик всякие резные украшения,мне они не интересны.Мне более интересны какие-то простые вещи,типа выпиленное яйцо,держатель для ключей,досочки,фигурки какие-то детские,плоские в основном.
А ещё интересна мебель нестандартная,какая-то вот интересная,я бы тоже с удовольствием занялась бы этим.
Но дело в том,что я совсем баран в этом! как выпилить,чем выпилить,нужно ли грунтовать,как ровно присобачить,чтобы полочку не повело????это ж целая наука.Вот бы с плотником хорошим познакомиться,чтобы тонкостям научил.На родине у меня был глухонемой знакомый мужчина,который творил чудесные вещи из дерева,а здесь нету.
Какие основные техники выпиливания из фанеры лобзиком существуют
Лобзик очень широко применяется для распила дерева в промышленных и в домашних условиях. Домашние поделки лобзиком бывают разные, от декоративных панелей до елочных украшений. Статья предлагает 12 чертежей с размерами поделок лобзиком, их можно сделать самостоятельно. Самый подходящий материал для поделок лобзиком – фанера, но могут быть даже оргстекло или пенопласт.
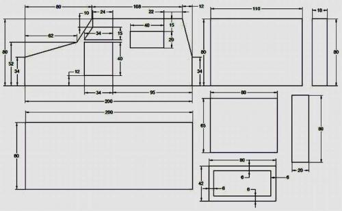
Вот чертеж с размерами симпатичной полочки для спичек. Детали изделия выпиливаются лобзиком по чертежам из фанеры толщиной до 10 мм. Толщина материала влияет на внешний вид и размеры готового изделия.

По этому чертежу из фанеры толщиной 4 мм можно выпилить лобзиком детали автомобиля (грузового). Здесь возможны варианты только с колесами, по желанию, их можно отрезать от круглой заготовки, но можно и выпилить лобзиком из фанеры.

Подставка под горячее, вырезанная из фанеры лобзиком. Использована фанера 5 мм, но толщина может меняться, как и размеры.

Чертеж с размерами подставки под горячее для выпиливания из фанеры лобзиком.

Еще чертежи с размерами разных вариантов подставок под горячее, чтобы вырезать лобзиком из фанеры.

Чертеж с размерами гоночного автомобиля из фанеры, чтобы вырезать лобзиком. Толщина фанеры рекомендуется 6 – 8 мм.

Чертежи с размерами солонки из фанеры толщиной 10 мм. Детали выпилены с помощью лобзика.

Чертеж и схема с размерами декоративной подставки под горячее из фанеры. Вырезана с помощью лобзика.

Чертеж с размерами кукольного домика из фанеры.

Чертежи с размерами стола из фанеры 16 мм. Детали выпиливаются лобзиком.

Выпиловочный столик для начинающих мастеров лучше не покупать, а выпилить самому лобзиком из толстой фанеры, вот чертежи с размерами. Струбциной или саморезами столик крепится к рабочему столу и используется для работы с особо мелкими деталями.

Чертеж с размерами кукольного домика для Барби из фанеры для вырезания лобзиком.

