Межкомнатные двери гармошка, как установить. Порядок работы
Межкомнатные двери гармошка, как установить. Порядок работы
Данная пошаговая инструкция отражает лишь общий алгоритм действий и особенности монтажа. Однако, вникая в вопрос, как установить дверь гармошку своими руками, следует изучить руководство от производителя. Для некоторых моделей существуют свои, хотя и незначительные, нюансы. Например, рекомендованное для каждой ламели (в зависимости от ширины и массы) количество петель.
Обустройство короба
Все, что ранее делалось в плане подготовки проема, по сути, черновая работа. Его необходимо облагородить; именно для этих целей и приобретаются откосы и наличники. Специфика их крепления – отдельная тема. Мастер решает сам, как фиксировать на основу декоративные планки (посадкой на клей, саморезами), ориентируясь на ее материал. Но результат нужен лишь один – правильная прямоугольная форма проема.
Особое внимание верхней части; она должна в точности соответствовать горизонтали. Иначе после завершения сборки двери гармошки ее полотно будет перекошено. Как следствие – большие проблемы с открыванием/закрыванием, не говоря уже о внешнем виде. А это значит, что часть работы придется переделывать.

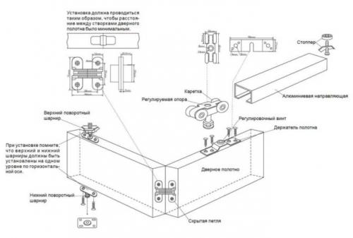
Установка направляющей
- Она идет в комплекте. Длина стандартная, а потому ее придется сначала обрезать по ширине проема.
- Особенность крепления рельсы в том, что необходимо правильно выбрать интервал между метизами. В направляющей есть подготовленные отверстия, но если требуется для более надежной фиксации, стоит высверлить и дополнительные. К примеру, если стена из ячеистых блоков, которые не отличаются повышенной плотностью. В этом случае чем больше крепежа, тем лучше.
Советы:
- При обрезке рельсы часть отверстий останется на удаленном куске. Следовательно, на этом крае фиксация может быть недостаточной. Нужно учесть, что для надежного крепления направляющей последние в ряду саморезы должны располагаться не далее 2,5 см от кромок планки.
- В некоторых моделях складных дверей предусмотрены 2 рельсы. На верхнюю рейку нагрузка будет максимальной, а потому рекомендуемый интервал между крепежными деталями – 150 мм. Для нижней направляющей достаточно и 250.

Подготовка полотна
- Все ламели нужно разложить на полу.
- Определяется крайняя, и она впоследствии жестко крепится в проеме. Для дверей, которые сдвигаются в обе стороны, предполагается фиксация двух ламелей, по бокам проема.
- Все планки оснащаются петлями и колесиками согласно прилагаемой схеме. Если гармошка бюджетного варианта, то придется высверливать отверстия.

Установка двери
Достаточно простая операция: ламели складываются, после чего колесики каждой, по очереди, заводятся в профиль направляющей. Останется лишь поставить по ее краям заглушки и зафиксировать крайнюю панель. Иначе полотно начнет самопроизвольно «ездить». Для этого в комплекте имеется стыковочный профиль (или два).

Крепление фурнитуры
Как правило, речь идет лишь о ручке. Хотя в некоторых гармошках предусмотрена установка замка.
После окончания сборки двери следует смазать колесики (техническим вазелином, например). Это продлит их ресурс и обеспечит бесшумность скольжения.

Дверь гармошка в кладовку. Книжка
Двери-книжка отличаются более крупными фрагментами. На стандартный дверной проем их идет не более двух частей. В этом случае ролики крепятся через одно сочленение, причем — на месте стыка. В таком случае получается, что дверное полотно складывается, напоминая страницы книги. Та часть, которая не имеет роликов, выдвигается в помещение.

Складные двери-книжка: принципиальное устройство
В сложенном состоянии двери-книжка занимают больше места, чем «гармошка», но такой тип устройства имеет свои плюсы. Фрагменты двери-гармошкой не получится сделать из очень толстого материала: сама конструкция не позволит. Потому они чаще всего сделаны из пластика, МДФ. При самостоятельном изготовлении могут использовать фанеру и другие подобные материалы. Отсюда и область применения — чаще всего используют в качестве двери в подсобные помещений — типа кладовок, могут быть установлены как двери в самодельной душевой кабине . В этом случае пластик — один из лучших материалов: обеспечивает герметичность, не боится повышенной влажности, хорошо моется, возможно — с применением моющих средств. В качестве межкомнатных дверей или перегородок такие двери ставят тогда, когда они только разграничивают пространство: характеристики по звукоизоляции практически «никакие».
Двери-книжка могут быть сделаны даже из массива дерева. Во-первых, ролики используются более солидные, во-вторых — конструкция не накладывает ограничений по толщине. Потому двери-книжка могут быть из дерева, стекла, металлопластика. Причем, при использовании специальной фурнитуры металлопластиковые складные двери могут использоваться как входные: так как обеспечивают достаточную степень безопасности. Их часто ставят в доме как выход на террасу или во внутренний двор. Недостаток таких систем:солидная цена. Комплект фурнитуры на одну дверь-книжку из металлопластика стоит порядка 550-600$. Обычные же чуть дороже стандартного полотна. Есть варианты и за 3-4 тысячи рублей. Их можно использовать в качестве межкомнатных дверей, ставить в шкафы.
Технические параметры для складных дверей типа «книжка»:
- Длина — до 7 м при использовании деревянных систем (со стеклом или без) и до 6 м в металлопластиковых системах.
- Высота деревянных — от 800 мм до 3000 мм; меаллопластиковых — от 640 мм до 2400 мм.
- Ширина одной створки в деревянных от 440 мм до 1200 мм; в металлопластиковых — от 490 мм до 940 мм.
- Количество створок — от 2-х до 7 .
Как установить дверь гармошку без коробки. Устройство раскладной межкомнатной двери
При открывании конструкции, полотно, изготовленное из нескольких частей, постепенно складывается, передвигаясь по рельсу к проему. В сложенном виде дверь не занимает площадь помещения, только немного сужает проход. Данная система чаще всего устанавливается в небольших квартирах, в целях экономии пространства.
Ряд панелей, скрепленных между собой |
|
Створка передвигается по направляющей |
|
Количество ламелей в одном полотне может быть различным. |
|
Двери устанавливается в потолок или проем |
|
Двери гармошка – удобные и функциональные системы, которые дизайнеры Revecon рекомендуют устанавливать в небольших помещениях для экономии пространства, зонирования квартир свободной планировки.