Схема Подключение газового котла к системе отопления. Схемы подключения газовых котлов
Схема Подключение газового котла к системе отопления. Схемы подключения газовых котлов
Схема отличается у одноконтурных и двухконтурных котлов.
Одноконтурные

Такой прибор имеет один теплообменник, использующийся для нагрева теплоносителя.
С его помощью невозможно подготовить воду для горячего водоснабжения (бытовых нужд). Они предназначены только для обогрева жилого помещения.
Агрегаты различаются на настенные и напольные по принципу установки. Разница заключается в мощности.
У первых она ограничена — 100 кВт , для напольных лимита практически не существует.
Настенные
- Прикрепление производится с помощью специальных кронштейнов.
Важно! Обязательно должен быть зазор между агрегатом и стеной размером от 30 до 50 см.
- Проверка наличия тяги в выходном патрубке агрегата проводится перед тем, как соединить с дымоходом. Диаметр входного отверстия должен соответствовать диаметру трубы у дымоотвода. Соединения должны быть герметичными.
- Для предотвращения засора теплообменника на патрубке котла устанавливается система смягчения воды.
- Перед подключением к системе отопления необходима опрессовка агрегата.
- При помощи гибкого шланга и паронитовых прокладок происходит подсоединение к газовой магистрали.

Фото 1. Схема подключения одноконтурного настенного котла к системе отопления с циркуляционным насосом и водонагревателем.
Напольные
- Установка прибора происходит на специально подготовленное и расчищенное место.
- Проделывается отверстие для дымохода (если его нет) и проверяется совпадение размеров диаметров обоих выходов (как дымоотвода, так и дымохода).
- Устанавливается фильтр для смягчения воды.
- Котёл присоединяется к отопительной системе и газовой магистрали.
Внимание! Из-за возможной опасности работ подключение настенных и напольных агрегатов к газовой магистрали рекомендуется поручить специалисту.
Герметичность соединений актуальна для обоих видов устройств.
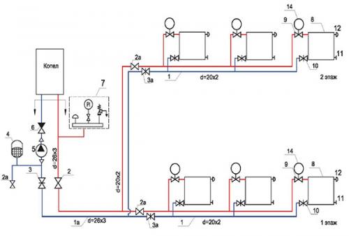
Двухконтурные
Двухконтурные приборы отличаются присутствием 2 магистралей. Вторая линия предназначена для обогрева воды для бытовых нужд, что позволяет отказаться от использования бойлера.
Настенные
Схема подключения настенных двухконтурных котлов не сильно отличается от одноконтурных. Однако здесь происходит подсоединение уже четырёх (а не двух) патрубков , пара из которых задействована для обогрева воды на хознужды.

Фото 2. Схема подключения настенного двухконтурного котла отопительной системы для частного двухэтажного дома.
Напольные
Подключение напольного двухконтурного типа аналогично одноконтурному, опять же учитывая наличие и подключение второй пары патрубков.
Схема Подключение лампочки через выключатель. Схема подключения
Выполнить соединения питающего кабеля и непосредственно светильника не составляет абсолютно никакого труда, поэтому мы сразу перейдем к рассмотрению соединения в распределительной коробке.
Запомните очень важное правило: в данной схеме через выключатель должна проходить именно фаза. Таким образом "разрываться" должен именно фазный провод, а не нулевой.
В случае того, если выключателем будет отключаться ноль, то проводка все равно будет находится под напряжением, что довольно опасно.

Сейчас я объясню почему это опасно. Представим простую и довольно банальную ситуацию: вам нужно всего лишь заменить перегоревшую лампочку, вы «клацаете» выключателем и думаете, что все, светильник обесточен. Выкручиваете лампочку и совершенно случайно касаетесь токоведущих частей патрона и цоколя лампочки и вас может ударить током.
Итак, в нашей с вами распределительной коробке «встретились» три кабеля:
Питающий кабель - от распределительного щитка,
Кабель, идущий на выключатель,
Кабель, идущий непосредственно на лампочку.

Итак, нам с вами нужно коммутировать через выключатель именно фазу в соответствии с цветовой маркировкой жил кабелей. В нашем случае ноль синего цвета, а фаза белого.
Поэтому синий (нулевой) провод, идущий от распределительного щитка, напрямую соединяем с нулевым проводом, идущим на светильник, а белый провод соединяем с белым же проводом уходящим на выключатель, синий провод, пришедший с выключателя, соединяем с белым проводом, уходящим на светильник .

Таким образом, мы с вами «разорвали фазный провод именно через выключатель.
Но это еще не все, так как согласно ПУЭ просто скрутка недопустима в распределительной коробке и нам с вами нужно ее либо пропаять, либо сварить. В данном примере скрутка именно пропаяна с применением паяльника.

С другими способами соединения проводов в распаячной коробке вы сможете ознакомиться в представленном материале .
И лишь затем можно изолировать оголенные концы проводов и укладывать их в коробку.
Вот таким образом и происходит подключение одноклавишного выключателя в распределительной коробке. Но данное подключение справедливо в том случае, если у вас на освещение и на розетки идут раздельные линии питания.
Но реалии наши таковы, что в большинстве домов в одной коробке соединено и освещение, и розетки. Ниже рассмотрим и такой вариант подключения.
Схема Подключение магнитолы. katerinochka83 › Blog › Подключение автомагнитолы.
Основная ошибка при подключении автомагнитолы, подключение плюсового провода от прикуривателя. В результате падает мощность головного устройства, что видно по мигающей подсветке магнитолы на большой громкости и как следствие, заметно раньше появляются искажения в звуке. Поэтому автомобильную магнитолу необходимо подключить напрямую от аккумулятора, хорошим качественным проводом и дополнительным предохранителем, расположенным как можно ближе к аккумулятору.
Сразу отмечу, что у автомагнитолы два плюсовых провода, один желтый, который является силовым и отвечает за память магнитолы, второй красный, который является своего рода управляющим.
Черный провод магнитолы это минус (масса). Его можно подключить к кузову автомобиля (на массу), а лучше на минус аккумулятора, это позволит избежать появления наводок.
Синий провод REM, это управляющий провод, который при включении магнитолы, автоматически включает автомобильный усилитель или активную антенну.
Акустические провода, имеют по парные цвета, к каждой цветовой паре подключается определенный динамик:
Белая пара проводов — передний левый динамик
Серая пара — передний правый динамик
Зеленая пара — задний левый динамик
Фиолетовая пара — задний правый динамик
Каждая пара акустических проводов имеет монотонный провод и провод с черной полосой, черной полосой обозначается минусовой провод.
Очень важно соблюсти правильность подключения акустических проводов, в противном случае, при несоблюдении цветовой схемы – будет не корректна регулировка баланса, при несоблюдении полярности – задние колонки будут играть в противофазе, это проявиться отсутствием баса.
Рассмотрим две схемы подключения магнитолы, отличаются они между собой, только организацией подключения плюсовых проводов.
Простая схема подключения магнитолы:
В этой схеме плюсовые провода магнитолы соединяются друг с другом и подключаются к плюсу аккумулятора. Использовать эту схему можно в случае, небольшого потребления электричества магнитолой в режиме сна. Магнитола с большим потреблением, способна за пару дней стоянки автомобиля, полностью разрядить аккумулятор, в таком случае лучше использовать следующую схему. Подключение магнитолы через кнопку.
Данная схема, это лучший вариант, ручной контроль питанием магнитолой, настройки не сбиваются. Единственное, необходимо найти место под кнопку.
Помимо этих схем, магнитолу еще подключают через замок зажигания, но это крайне неудобно, без ключа в зажигании музыка не работает. Или через сигнализацию, тоже не всем подойдет.
Устанавливая магнитолу, не обрезайте провода, используйте ISO-разъемы и ISO переходники, это даст возможность быстрой и без проблемной замены магнитолы, при дальнейшей эксплуатации автомобиля.
Подключение магнитолы от Серебрекова Андрея.
"Хочу рассказать о простом способе подключении автомагнитолы. Желтый провод я подключил как положено к питанию 12в, а красный к габаритным огням .
Напряжение 12в габаритных огней около магнитолы не нашёл, поэтому подключил через реле, обмотку которого подключил к разъёму лампочки пепельницы.
1.При включении габаритов магнитола автоматически включается, причём с сохранённой памятью при выключении
2.При отключении габаритов автоматически выключается.
3.Теперь не забываю выключать свет .
4.Можно слушать на стоянке без включения зажигания.